


一、ML33HP高精度电涡流位移传感器工作原理:
电涡流传感器系统的工作原理是电涡流效应,属于一种电感式测量原理。电涡流效应源自振荡电路的能量。而电涡流需要在可导电的材料内才可以形成。给传感器探头内线圈导入一个交变电流,可以在探头线圈周围形成一个磁场。如果将一个导体放入这个磁场,根据法拉第电磁感应定律,导体内会激发出电涡流。根据楞兹定律,电涡流的磁场方向与线圈磁场正好相反,而这将改变探头内线圈的阻抗值。这个阻抗值的变化与线圈到被测物体之间的距离直接相关。传感器探头连接到控制器后,控制器可以从传感器探头内获得电压值的变化量,并以此为依据,计算出对应的距离值,电涡流测量原理可以测量所有导电材料。
由于电涡流可以穿透绝缘体,即使表面覆盖有绝缘体的金属材料,也可以作为电涡流传感器的被测物体。独特的圈式绕组设计在实现传感器外形紧凑的同时,可以满足其运转于高温测量环境的要求。
二、ML33HP高精度电涡流位移传感器应用领域:
通过测量金属被测体与探头端的相对位置、电涡流位移传感器感应并处理成相应的电信号输出。传感器可长期可靠工作、灵敏度高、抗干扰能力强、非接触测量、响应速度快不受油水等介质的影响,在大型旋转机械的轴位移、轴振动、轴转速等参数进行长期实时监测中被广泛应用,并且被扩展到卫星发射、材料鉴定、称重测量、金属板厚测量、材料形变量等应用领域。
三、ML33HP高精度电涡流位移传感器特点:
★高精度、高分辨率、高温度稳定性
★外部非接触式测量,无磨损
★特别适用于复杂工况环境,如:油污、高低温度环境等
四、ML33HP高精度电涡流位移传感器技术参数:
|
测量量程 |
1mm |
2mm |
4mm |
5mm |
|
探头直径 |
Φ8mm |
Φ8mm |
Φ11mm |
Φ17mm |
|
线性误差 |
≤±0.1%FS |
≤±0.1%FS |
≤±0.1%FS |
≤±0.15%FS |
|
重复性 |
0.5um |
0.5um |
1um |
1um |
|
频率响应 |
0~10KHz |
0~8KHz |
||
|
输出信号 |
0~5V,0~10V,4~20mA,RS485 |
|||
|
分辨率 |
1μm |
|||
|
供电电压 |
+12~24VDC |
|||
|
工作电流 |
电压型<45mA,电流型<25mA,RS485型<40mA |
|||
|
使用工作温度 |
探头:-20℃~+60℃,前置器:-20℃~+80℃ |
|||
|
防护等级 |
探头:IP67,前置器:IP65 |
|||
|
探头电缆 |
默认2m,可定制 |
|||
|
电源电缆 |
默认2m,可定制 |
|||
|
|
电流型 |
电压型 |
RS485 |
|
棕线 |
电源正 +24VDC |
电源正 +12~24VDC |
电源正 +12~24VDC |
|
黑线 |
空 |
电源负 0V |
电源负 0V |
|
蓝线 |
电流输出 OUT |
输出正 OUT+ |
RS485 A+ |
|
白线 |
空 |
输出负 OUT- |
RS485 B- |
|
屏蔽线 |
接大地 GND |
接大地 GND |
接大地 GND |

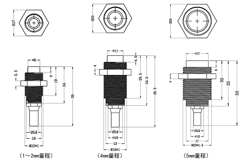
七、安装尺寸:
1、探头
通常探头由线圈、头部、壳体、高频电缆、高频接头组成。
在制作过程中,探头头部体一般采用耐高温PPS工程塑料,通过“二次注塑”成型将线圈密封其中。使探头在恶劣的环境中能可靠工作。由于头部体线圈直径决定传感器系统的线性量程,因此我们通常用头部体外部直径来分类和表征各型号探头,一般情况下传感器系统的线性量程大致是探头头部直径的1/2~1/4倍。
探头壳体用于连接和固定探头头部,并用为探头安装时的装夹结构。壳体一般采用304不锈钢工艺制成,上面刻有标准螺纹,并备有锁紧螺母。为了能适应不同的应用和安装场合,探头壳体具有不同的形式和不同的螺纹及尺寸规格。
探头外形尺寸图

前置器是整个传感器系统的信号处理中心。一方面,前置器为探头线圈提供高频交流激励电流使探头工作;另一方面,前置器通过特殊电路感应出探头头部体与头部体前金属导体的间隙变化,经过前置器的处理,产生随间隙线性变化而变化的电压或电流输出信号。
前置器外形尺寸图